CTP2000 Serial Interface Module Pinouts
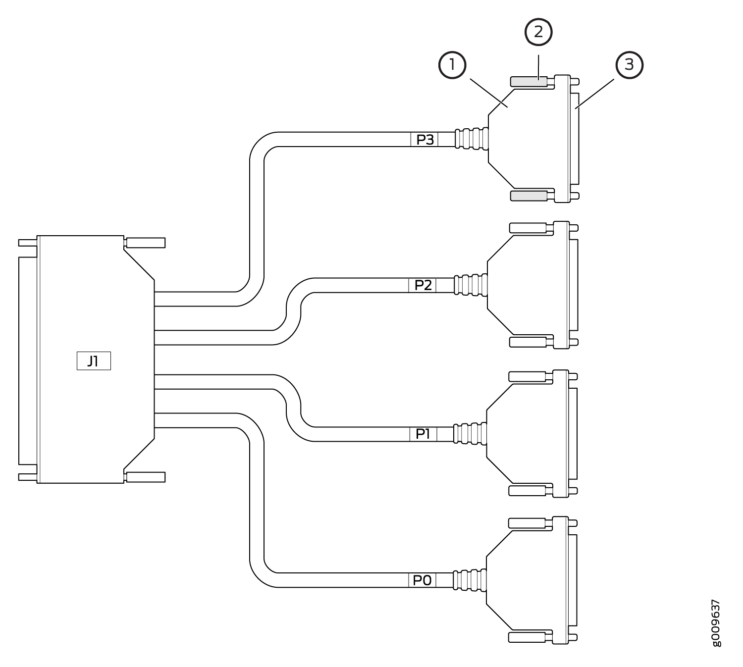
Figure 1 displays the serial DCE/DTE cable pin configurations for CTP2000 series devices.

1 — DB-25 shell | 3 — DB-25 connector |
2 — Thumb screw |
Table 1 lists the CTP2000 serial DCE cable pinouts.
Cable |
J1 SCSI |
DB-25 |
|---|---|---|
P0 |
1 |
P0-2 |
51 |
P0-14 |
|
2 |
P0-20 |
|
52 |
P0-23 |
|
3 |
P0-4 |
|
53 |
P0-19 |
|
4 |
P0-15 |
|
54 |
P0-12 |
|
5 |
P0-16 |
|
55 |
P0-3 |
|
6 |
P0-22 |
|
56 |
P0-6 |
|
7 |
P0-13 |
|
57 |
P0-5 |
|
8 |
P0-8 |
|
58 |
P0-25 |
|
9 |
P0-9 |
|
59 |
P0-10 |
|
10 |
P0-18 |
|
60 |
P0-17 |
|
11 |
P0-24 |
|
61 |
P0-11 |
|
12 |
P0-7 |
|
62 |
P0-21 |
|
63 |
P0-1 |
|
P1 |
13 |
P1-14 |
64 |
P1-2 |
|
14 |
P1-23 |
|
65 |
P1-20 |
|
15 |
P1-19 |
|
66 |
P1-4 |
|
16 |
P1-12 |
|
67 |
P1-15 |
|
17 |
P1-3 |
|
68 |
P1-16 |
|
18 |
P1-6 |
|
69 |
P1-22 |
|
19 |
P1-5 |
|
70 |
P1-13 |
|
20 |
P1-25 |
|
71 |
P1-8 |
|
21 |
P1-10 |
|
72 |
P1-9 |
|
22 |
P1-17 |
|
73 |
P1-18 |
|
23 |
P1-11 |
|
74 |
P1-24 |
|
24 |
P1-21 |
|
75 |
P1-7 |
|
25 |
P1-1 |
|
P2 |
26 |
P2-2 |
76 |
P2-14 |
|
27 |
P2-20 |
|
77 |
P2-23 |
|
28 |
P2-4 |
|
78 |
P2-19 |
|
29 |
P2-15 |
|
79 |
P2-12 |
|
30 |
P2-16 |
|
80 |
P2-3 |
|
31 |
P2-22 |
|
81 |
P2-6 |
|
32 |
P2-13 |
|
82 |
P2-5 |
|
33 |
P2-8 |
|
83 |
P2-25 |
|
34 |
P2-9 |
|
84 |
P2-10 |
|
35 |
P2-18 |
|
85 |
P2-17 |
|
36 |
P2-24 |
|
86 |
P2-11 |
|
37 |
P2-7 |
|
87 |
P2-21 |
|
88 |
P2-1 |
|
P3 |
38 |
P3-14 |
89 |
P3-2 |
|
39 |
P3-23 |
|
90 |
P3-20 |
|
40 |
P3-19 |
|
91 |
P3-4 |
|
41 |
P3-12 |
|
92 |
P3-15 |
|
42 |
P3-3 |
|
93 |
P3-16 |
|
43 |
P3-6 |
|
94 |
P3-22 |
|
44 |
P3-5 |
|
95 |
P3-13 |
|
45 |
P3-25 |
|
96 |
P3-8 |
|
46 |
P3-10 |
|
97 |
P3-9 |
|
47 |
P3-17 |
|
98 |
P3-18 |
|
48 |
P3-11 |
|
99 |
P3-24 |
|
49 |
P3-21 |
|
100 |
P3-7 |
|
50 |
P3-1 |
Table 2 lists the CTP2000 serial DTE cable pinouts.
Cable |
J1 SCSI |
DB-25 |
|---|---|---|
P0 |
1 |
P0-3 |
51 |
P0-16 |
|
2 |
P0-6 |
|
52 |
P0-22 |
|
3 |
P0-5 |
|
53 |
P0-13 |
|
4 |
P0-15 |
|
54 |
P0-12 |
|
5 |
P0-14 |
|
55 |
P0-2 |
|
6 |
P0-23 |
|
56 |
P0-20 |
|
7 |
P0-19 |
|
57 |
P0-4 |
|
8 |
P0-8 |
|
58 |
P0-21 |
|
9 |
P0-11 |
|
59 |
P0-10 |
|
10 |
P0-18 |
|
60 |
P0-24 |
|
11 |
P0-17 |
|
61 |
P0-9 |
|
12 |
P0-7 |
|
62 |
P0-25 |
|
63 |
P0-1 |
|
P1 |
13 |
P1-16 |
64 |
P1-3 |
|
14 |
P1-22 |
|
65 |
P1-6 |
|
15 |
P1-13 |
|
66 |
P1-5 |
|
16 |
P1-12 |
|
67 |
P1-15 |
|
17 |
P1-2 |
|
68 |
P1-14 |
|
18 |
P1-20 |
|
69 |
P1-23 |
|
19 |
P1-4 |
|
70 |
P1-19 |
|
20 |
P1-21 |
|
71 |
P1-8 |
|
21 |
P1-10 |
|
72 |
P1-11 |
|
22 |
P1-24 |
|
73 |
P1-18 |
|
23 |
P1-9 |
|
74 |
P1-17 |
|
24 |
P1-25 |
|
75 |
P1-7 |
|
25 |
P1-1 |
|
P2 |
26 |
P2-3 |
76 |
P2-16 |
|
27 |
P2-6 |
|
77 |
P2-22 |
|
28 |
P2-5 |
|
78 |
P2-13 |
|
29 |
P2-15 |
|
79 |
P2-12 |
|
30 |
P2-14 |
|
80 |
P2-2 |
|
31 |
P2-23 |
|
81 |
P2-20 |
|
32 |
P2-19 |
|
82 |
P2-4 |
|
33 |
P2-8 |
|
83 |
P2-21 |
|
34 |
P2-11 |
|
84 |
P2-10 |
|
35 |
P2-18 |
|
85 |
P2-24 |
|
36 |
P2-17 |
|
86 |
P2-9 |
|
37 |
P2-7 |
|
87 |
P2-25 |
|
88 |
P2-1 |
|
P3 |
38 |
P3-16 |
89 |
P3-3 |
|
39 |
P3-22 |
|
90 |
P3-6 |
|
40 |
P3-13 |
|
91 |
P3-5 |
|
41 |
P3-12 |
|
92 |
P3-15 |
|
42 |
P3-2 |
|
93 |
P3-14 |
|
43 |
P3-20 |
|
94 |
P3-23 |
|
44 |
P3-4 |
|
95 |
P3-19 |
|
45 |
P3-21 |
|
96 |
P3-8 |
|
46 |
P3-10 |
|
97 |
P3-11 |
|
47 |
P3-24 |
|
98 |
P3-18 |
|
48 |
P3-9 |
|
99 |
P3-17 |
|
49 |
P3-25 |
|
100 |
P3-7 |
|
50 |
P3-1 |