Terminal Block and Circuit Breaker Specifications
Table 1 lists the electrical specifications for the terminal block (see Figure 1) located on the back of the CTP2000 Series DC chassis.
Category |
Specification |
|---|---|
Voltage |
100 VDC |
Current |
20 A |
Operating Temperature |
−55° through 105° C |
Material |
Black thermoplastic or equivalent |
Capacitance |
Minimum: 2500 pF Maximum: 5200 pF |
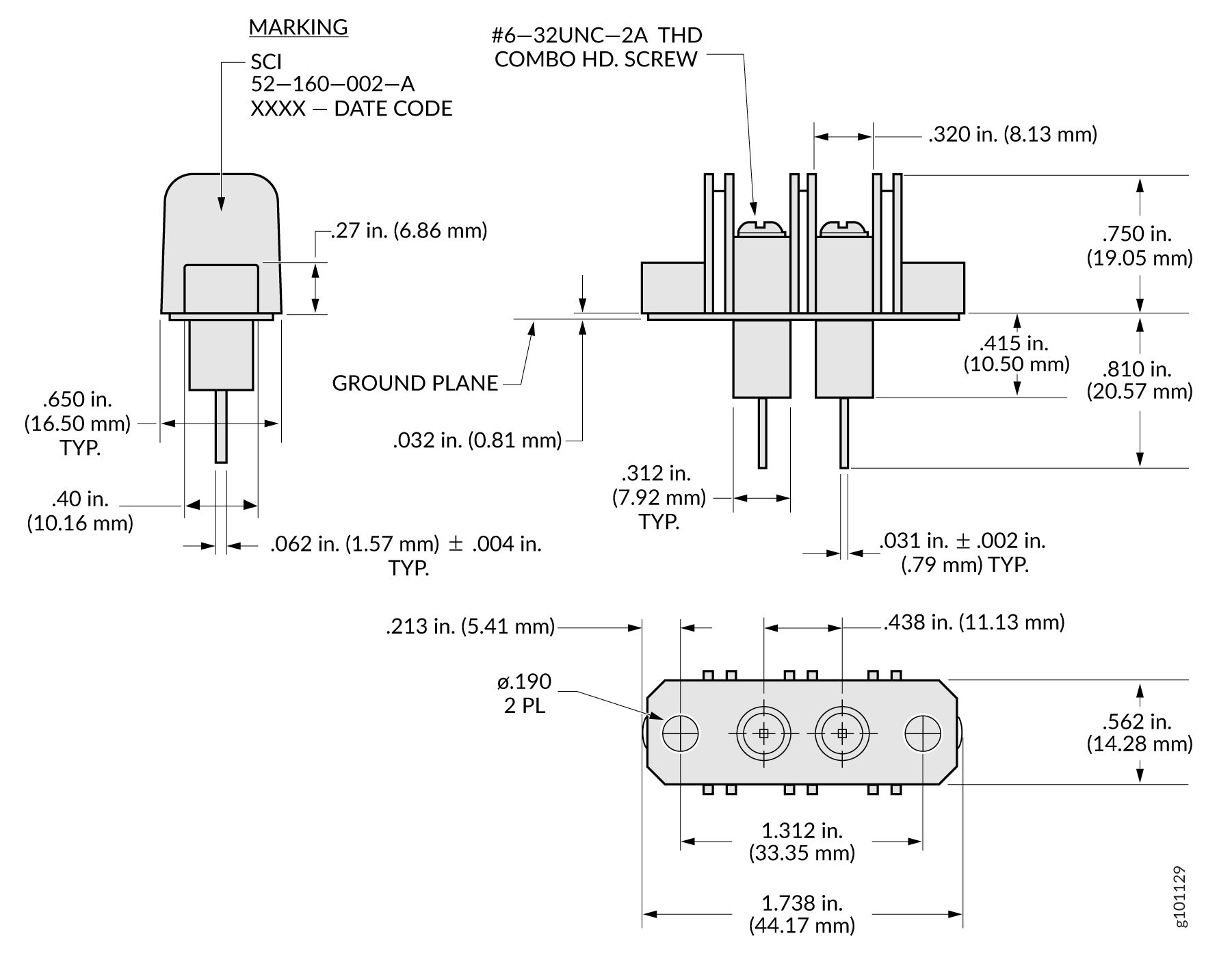
Figure 1: Terminal Block

Table 2 summarizes the electrical specification for the circuit breaker that is attached on the back of the CTP2000 Series DC chassis.
Platform |
Specification |
|---|---|
CTP2008-DC |
8 A |
CTP2024-DC |
15 A |
CTP2056-DC |
15 A |