Help us improve your experience.

Let us know what you think.

Do you have time for a two-minute survey?

 
 

フラグメントパケットキューイングについて

フラグメントマルチリンクPPP(MLPPP)パケットには、マルチリンクシーケンス番号を含むマルチリンクヘッダーがあります。これらのフラグメントのシーケンス番号は、これらのフラグメントを受信するリモートデバイスがそれらを完全なパケットに正しく再アセンブリできるように、保持する必要があります。この要件に対応するために、Junos OS はデフォルトで、MLPPP ヘッダーを持つマルチリンク バンドルのメンバー リンク上のすべてのパケットをキューに入れ、1 つのキュー(q0)に入れます。

  • MLPPP フラグメント化が設定されている転送クラスのトラフィック フローは、ラウンドロビン方式に従って、インライン サービス si バンドル インターフェイス キューからメンバー リンク キュー(キュー 0)に分散されます。

  • MLPPP フラグメント化のない転送クラスのトラフィックフローは、パケットの宛先アドレス、送信元アドレス、およびIPプロトコルから計算されたハッシュアルゴリズムに基づいて、 si バンドルインターフェイスキューからメンバーリンクキューに分散されます。

    IPペイロードにTCPまたはUDPトラフィックが含まれている場合、ハッシュアルゴリズムには送信元ポートと宛先ポートも含まれます。その結果、1つのトラフィックフローに属するすべてのトラフィックは、1つのメンバーリンクにキューに入れられます。

図1は、MLPPPマルチリンクバンドルとそのメンバーリンクでトラフィックがどのようにキューイングされるかを示しています。図のパケットフローは、Px,Fxという表記を使用しています。例えば、P1,F1はパケット1、フラグメント1を表しています。

  • 4つのキューがあります。

  • 転送クラスbe、af、ncは、マルチリンクバンドル上のキューq0、q1、q3にそれぞれマップされます。これらは断片化されています。

  • フォワーディングクラスefには音声トラフィックが含まれており、q2にマッピングされ、フラグメント化されません。

  • インターフェイス si-1/0/0.1 はバンドルであり、 pp0.1pp0.2 はそのバンドルのメンバーリンクです。

メンバーリンクのキューイングは、次のように処理されます。

  1. マルチリンクバンドル上の転送クラスbe、af、ncのパケットフラグメントは、メンバーリンク1および2のq0にマッピングされます。これらのパケットは、ラウンドロビン方式を使用して、 si キューからメンバーリンクに配信されます。

  2. マルチリンクバンドルからの転送クラスef(音声)のパケットは、メンバーリンクのq2にマッピングされます。この転送クラスはフラグメント化されていません。パケットは、ハッシュアルゴリズムに基づいて、 si キューからメンバーリンクに配信されます。

  3. マルチリンクバンドルからのネットワーク制御パケットは、メンバーリンクのq0にマッピングされます。バンドル ネットワーク制御トラフィックは、メンバー リンク上のデータ フローとともにキューに入れられます。ただし、メンバーリンクのq3は、メンバーリンク上でhelloメッセージを交換するパケットなど、メンバーリンクに関連するプロトコル情報をやりとりするネットワーク制御パケットを送信します。

このセクションでは、以下のトピックについて説明します。

メンバーリンクへのフラグメントパケットのキューイング

マルチリンクバンドルでは、フラグメント化が有効なすべての転送クラスからのパケットフラグメントが、メンバーリンクのq0に送信されます。メンバーリンクのq0キューでは、パケットはラウンドロビン方式を使用してキューに入れられ、フラグメント単位のロードバランシングが可能になります。

図2は、メンバーリンクでフラグメントパケットキューイングがどのように実行されるかを示しています。図のパケットフローは、Px,Fxという表記を使用しています。例えば、P1,F1はパケット1、フラグメント1を表しています。

図2:メンバーリンク上でのフラグメントパケットのキューイング Diagram of network traffic classification and queuing with data packets categorized into classes: best effort, assured forwarding, network control, and expedited forwarding. Classes are assigned to queues with priority levels and forwarded through interfaces.

マルチリンクバンドルからのパケットフラグメントは、ラウンドロビン方式を使用して、1つずつメンバーリンクにキューに入れられます。

  • マルチリンクバンドル上のq0からのパケットP1,F1は、メンバーリンク1のq0にキューに入れられます。

  • マルチリンクバンドル上のq0からのパケットP1,F2は、メンバーリンク2のq0にキューに入れられます。

  • マルチリンクバンドル上のq0からのパケットP1,F3は、メンバーリンク1のq0にキューに入れられます。

  • マルチリンクバンドル上のq1からのパケットP2、F1は、メンバーリンク2のq0にキューに入れられます。

注:

フラグメント転送クラスの一部であるが、フラグメント化されていないパケットも、同じ手順に従います。

siインターフェイスを出た後、マイクロコードは約40バイトのヘッダーをMLPPPパケットに追加します。サービスクラスシェーピングを設定する際、これを考慮してバイトを調整する必要がある場合があります。

メンバーリンクへのLFIパケットのキューイング

マルチリンクバンドルでは、マルチリンクバンドルからのすべての非MLPPPカプセル化トラフィック[LFI(リンクフラグメント化およびインターリーブ)トラフィック]は、そのパケットの転送クラスで定義されたキューにキューに入れられます。

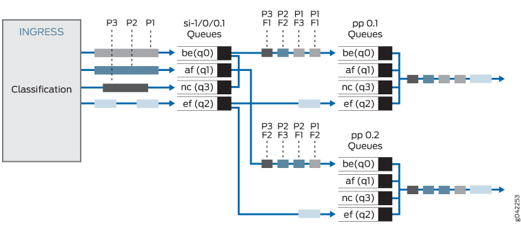
図3は、メンバーリンクでLFIパケットキューイングがどのように実行されるかを示しています。

図3:メンバーリンク上のLFIパケットのキューイング Diagram showing a network traffic flow system with voice flows. Ingress classifies traffic into queues: beq0, afq1, ncq3, efq2. Interfaces si-1/0/0.1, pp 0.1, and pp 0.2 handle queues.

パケットは、パケットの送信元アドレス、宛先アドレス、IPプロトコルから計算されたハッシュアルゴリズムに基づいて、 si インターフェイスからメンバーリンクに配信されます。

IPペイロードにTCPまたはUDPトラフィックが含まれている場合、ハッシュアルゴリズムには送信元ポートと宛先ポートも含まれます。その結果、1つのトラフィックフローに属するすべてのトラフィックは、1つのメンバーリンクにキューに入れられます。